Als benchmarkmodel van de microschakelaarserie van Yueqing Tongda Wire Electric Factory heeft de Weipeng Electronic Component Lever Micro Switch "hoge gevoeligheid, ultralange levensduur en aanpassingsvermogen in meerdere scenario's" als kernvoordelen. Door de 35 jaar ervaring van het bedrijf op het gebied van schakelaarproductie te integreren, is het een belangrijk besturingscomponent geworden in huishoudelijke apparaten, auto-elektronica, industriële automatisering en andere gebieden, dankzij de minimale contactafstand en het snelle actiemechanisme. De prestaties en betrouwbaarheid zijn gecertificeerd door meerdere gezaghebbende organisaties over de hele wereld, waardoor de reguliere positie in de nichemarkt wordt veiliggesteld.
Introductie van microschakelaars
Het product heeft belangrijke wereldwijde veiligheidscertificeringen verkregen, waaronder UL, C-UL, ENEC, VDE, CE, CB, TUV, CQC en KC, voldoet aan de IEC 61058-norm en voldoet aan de vereisten voor markttoegang in regio's zoals Europa, Amerika en Azië-Pacific. Het bedrijf heeft de ISO9001- en IATF 16949-certificeringen voor het kwaliteitsmanagementsysteem behaald en implementeert de RoHS- en REACH-milieurichtlijnen strikt, waardoor een verfijnde controle gedurende het gehele productieproces wordt gegarandeerd. Met 6 nationale uitvindingsoctrooien en 48 gebruiksmodeloctrooien bereikt de HK-14-serie toonaangevende niveaus van betrouwbaarheid en consistentie.
Installatie- en gebruiksrichtlijnen
Bij installatie moet de schakelaar op een vlakke ondergrond worden gemonteerd en worden vastgezet met een platte sluitring of veerring om storingen of schade aan de behuizing als gevolg van oneffen oppervlakken te voorkomen. Kies modellen op basis van de omgeving: voor vochtige of stoffige omstandigheden wordt het aanbevolen om een verzegelde, aangepaste versie te gebruiken om de bescherming te verbeteren. Breng geen smeerolie aan op de knop of actuator om vastzittende contacten, functionele storingen of zelfs doorbranden te voorkomen. Bewaar het product tijdens opslag in een droge, geventileerde ruimte, beschermd tegen regen of sneeuw, en vermijd hoge temperaturen en vochtigheid die veroudering van de componenten kunnen veroorzaken, zodat het product zijn oorspronkelijke prestaties behoudt.
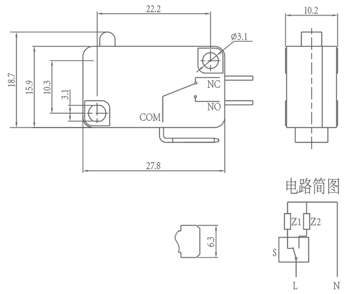
Parameter microschakelaar (specificatie)
| Technische kenmerken van schakelaar: | |||
| ITEM | Technische parameter | Waarde | |
| 1 | Elektrische beoordeling | 5(2)A/10A/16(3)A/21(8)A 250VAC | |
| 2 | Neem contact op met Weerstand | ≤30mΩ Beginwaarde | |
| 3 | Isolatieweerstand | ≥100MΩ (500VDC) | |
| 4 |
Diëlektrisch Spanning |
Tussen niet-aangesloten terminals |
1000V/0,5mA/60S |
|
Tussen terminals en het metalen frame |
3000V/0,5mA/60S | ||
| 5 | Elektrisch leven | ≥50000 cycli | |
| 6 | Mechanische levensduur | ≥1000000 cycli | |
| 7 | Bedrijfstemperatuur | -25~125℃ | |
| 8 | Bedrijfsfrequentie |
elektrisch: 15 cycli Mechanisch: 60 cycli |
|
| 9 | Trillingsbestendig |
Trillingsfrequentie: 10 ~ 55 Hz; Amplitude: 1,5 mm; Drie richtingen: 1H |
|
| 10 |
Soldeervermogen: Meer dan 80% van het ondergedompelde deel worden bedekt met soldeer |
Soldeertemperatuur: 235 ± 5 ℃ Onderdompelingstijd: 2 ~ 3S |
|
| 11 | Hittebestendigheid van soldeer |
Dompelsolderen: 260 ± 5 ℃ 5 ± 1S Handmatig solderen: 300 ± 5 ℃ 2 ~ 3S |
|
| 12 | Veiligheidsgoedkeuringen | UL, CSA, VDE, ENEC, TUV, CE, KC, CQC | |
| 13 | Testomstandigheden |
Omgevingstemperatuur: 20 ± 5 ℃ Relatieve vochtigheid: 65 ± 5% RV Luchtdruk: 86~106KPa |
|
Functie en toepassing van microschakelaars
Details microschakelaar
