Plug kolomtype knop Micro -schakelaar in auto -onderdelen heeft een klein contactinterval en een snel actiemechanisme, en het contactmechanisme voor het schakelen van actie met de opgegeven slag en kracht wordt bedekt door de schaal, en er is een transmissie aan de buitenkant en de vorm is klein.
Product Introductieuctie
Push-to-push micro-switches is een gemeenschappelijke elektronische component die wordt gebruikt om de aan en uit-status van een circuit te regelen. Het bestaat meestal uit een knop en een schakelaar die van status verandert wanneer de knop wordt ingedrukt.
Drukknopschakelaars kunnen een knipperend effect gebruiken, wanneer de knop wordt ingedrukt, knippert de knop om de aandacht van de gebruiker te trekken.
Product Toepassingtie en specificatie
Plug kolomtype knop Micro -schakelaars kunnen worden gebruikt om het licht te bedienen, wanneer de knop wordt ingedrukt, wordt het licht ingeschakeld of uitgeschakeld. Het kan ook worden gebruikt om de omschakeling van elektrische apparatuur, airconditioner, enz. Te regelen, op het industriële veld worden drukknopschakelaars veel gebruikt om de start en stop van mechanische apparatuur te regelen. Of het nu gaat om huishoudelijke, industriële, automobiel- of elektronische apparatuur, het is onafscheidelijk van deze eenvoudige besturingscomponent.
| Schakel technische kenmerken in: | |||
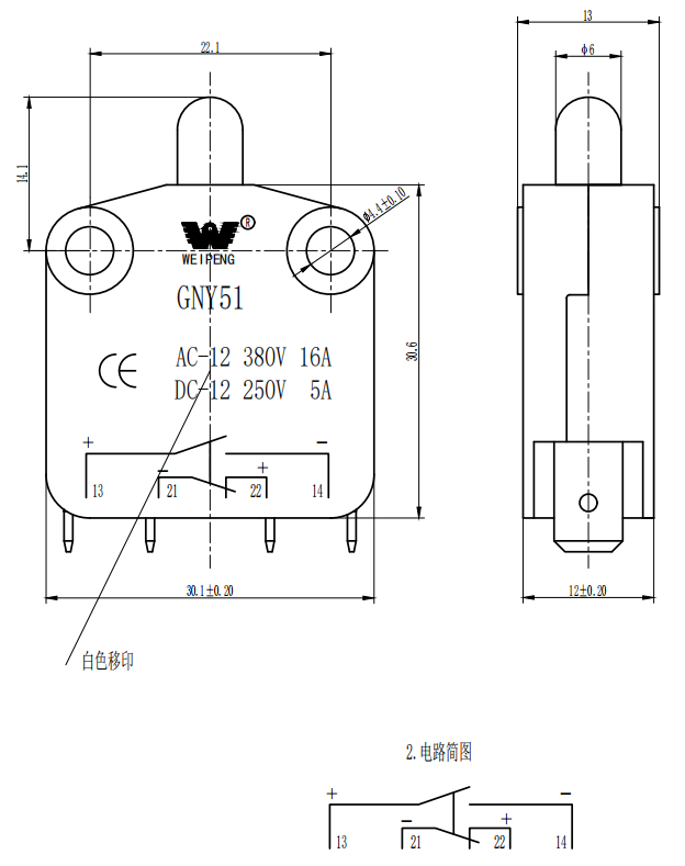
| ITEM | Technische parameter | Waarde | |
| 1 | Elektrische beoordeling | 16a 250vac | |
| 2 | Contactweerstand | ≤50mΩ initiële waarde | |
| 3 | Isolatieweerstand | ≥100mΩ (500VDC) | |
| 4 |
Diëlektrisch Spanning |
Tussen niet-verbonden terminals |
500V/0,5 mA/60s |
| Tussen terminals en het metalen frame |
1500V/0,5 mA/60s | ||
| 5 | Elektrische levensduur | ≥50000 cycli | |
| 6 | Mechanisch leven | ≥ 100000 cycli | |
| 7 | Bedrijfstemperatuur | -25 ~ 125 ℃ | |
| 8 | Werkfrequentie | Elektrisch: 15 cycli Mechanisch: 60 cycli |
|
| 9 | Trillingsbestendig | Trillingsfrequentie: 10 ~ 55Hz; Amplitude: 1,5 mm; Drie aanwijzingen: 1H |
|
| 10 | Soldervermogen: Meer dan 80% van het ondergedompeld deel wordt bedekt met soldeer |
Soldertemperatuur: 235 ± 5 ℃ Tijd onderdompeling: 2 ~ 3s |
|
| 11 | Soldeer hittebestendigheid | Dip solderen: 260 ± 5 ℃ 5 ± 1S Handmatig solderen: 300 ± 5 ℃ 2 ~ 3s |
|
| 12 | Veiligheidsgoedkeuringen | Ul 、 csa 、 tuv 、 cqc 、 ce | |
| 13 | Testomstandigheden | Omgevingstemperatuur: 20 ± 5 ℃ Relatieve vochtigheid: 65 ± 5%RH Luchtdruk: 86 ~ 106kpa |
|
Product Details


