Als benchmarkmodel van de microschakelaarserie van Yueqing Tongda Wire Electric Factory heeft de Normaal Open Microschakelaar met elektronische componenthendel "hoge gevoeligheid, ultralange levensduur en aanpassingsvermogen in meerdere scenario's" als kernvoordelen. Door de 35 jaar ervaring van het bedrijf op het gebied van schakelaarproductie te integreren, is het een belangrijk besturingscomponent geworden in huishoudelijke apparaten, auto-elektronica, industriële automatisering en andere gebieden, dankzij de minimale contactafstand en het snelle actiemechanisme. De prestaties en betrouwbaarheid zijn gecertificeerd door meerdere gezaghebbende organisaties over de hele wereld, waardoor de reguliere positie in de nichemarkt wordt veiliggesteld.
Introductie van microschakelaars
De HK-14-serie biedt zeer flexibele aanpassingsmogelijkheden om aan gedifferentieerde toepassingsvereisten te voldoen. De bedieningskracht kan worden aangepast (minder dan 5,0 N in hendelvrije toestand, standaard 30 ± 15 gf), met een bedieningsslagbereik van 0,6–1,5 mm, geschikt voor verschillende triggerkracht- en verplaatsingsscenario's. Hendelstijlen zijn aanpasbaar, inclusief rechte, gebogen en rolhendels, die passen bij verschillende mechanische transmissiestructuren. Contactformulieren bestrijken het volledige bereik van SPDT (1NO 1NC), NO en NC.
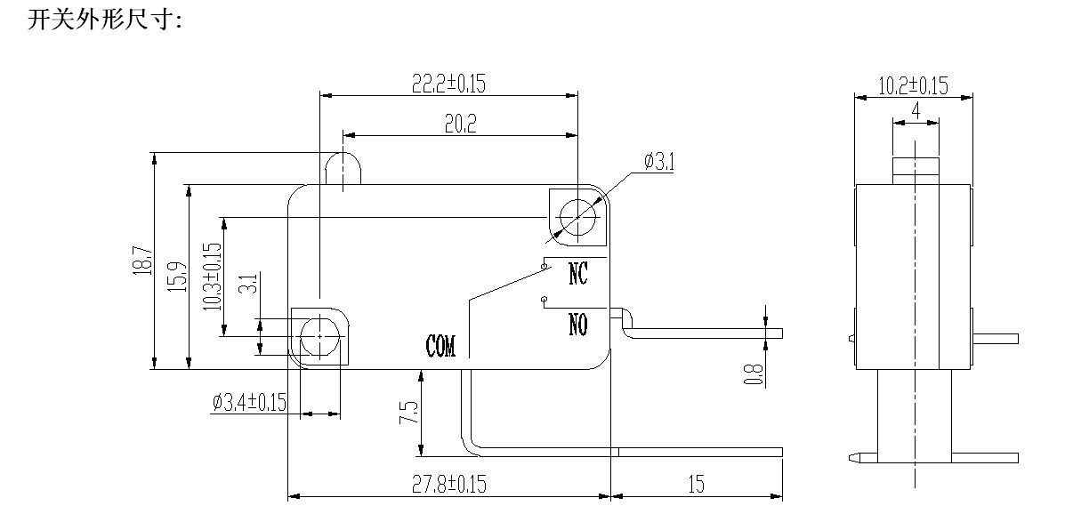
Parameter microschakelaar (specificatie)
| Technische kenmerken van schakelaar: | |||
| ITEM | Technische parameter | Waarde | |
| 1 | Elektrische beoordeling | 5(2)A/10A/16(3)A/21(8)A 250VAC | |
| 2 | Neem contact op met Weerstand | ≤30mΩ Beginwaarde | |
| 3 | Isolatieweerstand | ≥100MΩ (500VDC) | |
| 4 |
Diëlektrisch Spanning |
Tussen niet-aangesloten terminals |
1000V/0,5mA/60S |
|
Tussen terminals en het metalen frame |
3000V/0,5mA/60S | ||
| 5 | Elektrisch leven | ≥50000 cycli | |
| 6 | Mechanische levensduur | ≥1000000 cycli | |
| 7 | Bedrijfstemperatuur | -25~125℃ | |
| 8 | Bedrijfsfrequentie |
elektrisch: 15 cycli Mechanisch: 60 cycli |
|
| 9 | Trillingsbestendig |
Trillingsfrequentie: 10 ~ 55 Hz; Amplitude: 1,5 mm; Drie richtingen: 1H |
|
| 10 |
Soldeervermogen: Meer dan 80% van het ondergedompelde deel worden bedekt met soldeer |
Soldeertemperatuur: 235 ± 5 ℃ Onderdompelingstijd: 2 ~ 3S |
|
| 11 | Hittebestendigheid van soldeer |
Dompelsolderen: 260 ± 5 ℃ 5 ± 1S Handmatig solderen: 300 ± 5 ℃ 2 ~ 3S |
|
| 12 | Veiligheidsgoedkeuringen | UL, CSA, VDE, ENEC, TUV, CE, KC, CQC | |
| 13 | Testomstandigheden |
Omgevingstemperatuur: 20 ± 5 ℃ Relatieve vochtigheid: 65 ± 5% RV Luchtdruk: 86~106KPa |
|
Functie en toepassing van microschakelaars
Details microschakelaar
