LS hoogwaardige limiettekelschakelaar is een automatische besturingscomponent die wordt veroorzaakt door mechanische beweging. De kernfunctie is het detecteren van de verplaatsing of slag van een object om de opening en sluiting van circuits, het begin en stop van apparatuur of het beperken van bescherming te bereiken. Het is een onmisbare 'Safety Sentinel' en 'Action Commander' in industriële automatisering en elektromechanische apparatuur.
Schakelaar Introductieuctie
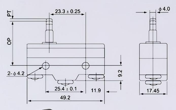
De reisschakelaar (ook bekend als een limietschakelaar) is een automatische besturingscomponent geactiveerd door mechanische beweging. De kernfunctie is het detecteren van de verplaatsing of slag van een object om de opening en sluiting van circuits, het begin en stop van apparatuur of het beperken van bescherming te bereiken. Het is een onmisbare 'Safety Sentinel' en 'Action Commander' in industriële automatisering en elektromechanische apparatuur.
Schakelaar Toepassingtion
Transportbandsysteem: limietschakelaars worden geïnstalleerd op de start/eindpunten van de transportband. Wanneer een werkstuk naar de aangewezen positie wordt getransporteerd, wordt de schakelaar geactiveerd om de transportband te pauzeren, coördinerend met de robotarm om grijpende en sorteeracties uit te voeren.
Assemblagelijn: ze worden gebruikt om te detecteren of een werkstuk zich in de juiste positie bevindt. Bijvoorbeeld, op een assemblagelijn van een thuisapparaat, wanneer de buitenste schaal naar het schroefdrappingstation beweegt, activeert de schakelaar de opstart van de strakke machine en zorgt voor een nauwkeurige coördinatie tussen processtappen.
Schakelaar Details
