Als benchmarkmodel van de microschakelaarserie van Yueqing Tongda Wire Electric Factory heeft de HK-14 hittebestendige 16A 250V microgolfmicroschakelaar met hoge stroomsterkte "hoge gevoeligheid, ultralange levensduur en aanpassingsvermogen in meerdere scenario's" als kernvoordelen. Door de 35 jaar ervaring van het bedrijf op het gebied van schakelaarproductie te integreren, is het een belangrijk besturingscomponent geworden in huishoudelijke apparaten, auto-elektronica, industriële automatisering en andere gebieden, dankzij de minimale contactafstand en het snelle actiemechanisme. De prestaties en betrouwbaarheid zijn gecertificeerd door meerdere gezaghebbende organisaties over de hele wereld, waardoor de reguliere positie in de nichemarkt wordt veiliggesteld.
Introductie van microschakelaars
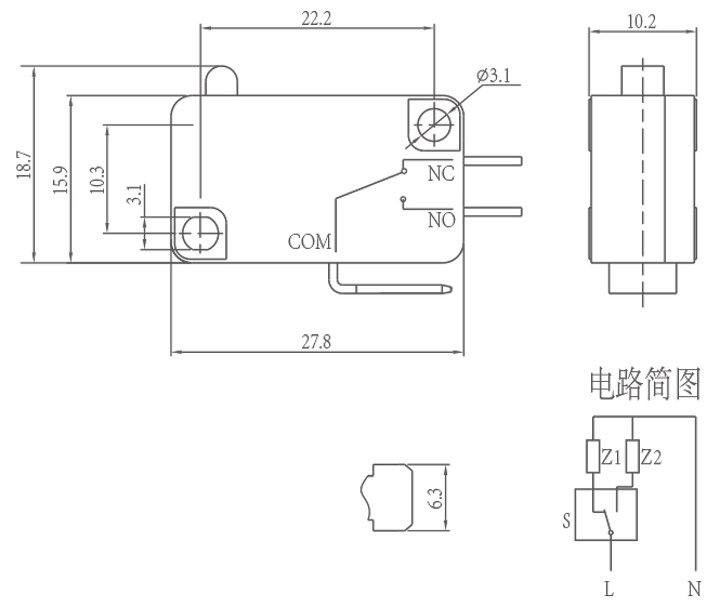
De HK-14-serie biedt zeer flexibele aanpassingsmogelijkheden om te voldoen aan de eisen van gedifferentieerde toepassingen. De bedieningskracht is aanpasbaar (minder dan 5,0 N in een toestand zonder hendel, normaal gesproken 30 ± 15 gf), met een bedieningsslagbereik van 0,6 tot 1,5 mm, waardoor verschillende triggerkracht- en verplaatsingsscenario's mogelijk zijn. Hendelstijlen zijn aanpasbaar, inclusief rechte hendels, gebogen hendels en rolhendels, zodat ze passen bij verschillende mechanische transmissiestructuren. Contacttypen omvatten SPDT (1NO+1NC), NO en NC, die het volledige bereik bestrijken, om te voldoen aan de vereisten van enkele bediening, vergrendeling en andere circuitontwerpbehoeften.
Installatie- en gebruiksrichtlijnen
Bij installatie moet de schakelaar op een vlakke ondergrond worden gemonteerd en worden vastgezet met een platte sluitring of veerring om storingen of schade aan de behuizing als gevolg van oneffen oppervlakken te voorkomen. Kies modellen op basis van de omgeving: voor vochtige of stoffige omstandigheden wordt het aanbevolen om een verzegelde, aangepaste versie te gebruiken om de bescherming te verbeteren. Breng geen smeerolie aan op de knop of actuator om vastzittende contacten, functionele storingen of zelfs doorbranden te voorkomen. Bewaar het product tijdens opslag in een droge, geventileerde ruimte, beschermd tegen regen of sneeuw, en vermijd hoge temperaturen en vochtigheid die veroudering van de componenten kunnen veroorzaken, zodat het product zijn oorspronkelijke prestaties behoudt.
Parameter microschakelaar (specificatie)
| Technische kenmerken van schakelaar: | |||
| ITEM | Technische parameter | Waarde | |
| 1 | Elektrische beoordeling | 5(2)A/10A/16(3)A/21(8)A 250VAC | |
| 2 | Neem contact op met Weerstand | ≤30mΩ Beginwaarde | |
| 3 | Isolatieweerstand | ≥100MΩ (500VDC) | |
| 4 |
Diëlektrisch Spanning |
Tussen niet-aangesloten terminals |
1000V/0,5mA/60S |
|
Tussen terminals en het metalen frame |
3000V/0,5mA/60S | ||
| 5 | Elektrisch leven | ≥50000 cycli | |
| 6 | Mechanische levensduur | ≥1000000 cycli | |
| 7 | Bedrijfstemperatuur | -25~125℃ | |
| 8 | Bedrijfsfrequentie |
elektrisch: 15 cycli Mechanisch: 60 cycli |
|
| 9 | Trillingsbestendig |
Trillingsfrequentie: 10 ~ 55 Hz; Amplitude: 1,5 mm; Drie richtingen: 1H |
|
| 10 |
Soldeervermogen: Meer dan 80% van het ondergedompelde deel worden bedekt met soldeer |
Soldeertemperatuur: 235 ± 5 ℃ Onderdompelingstijd: 2 ~ 3S |
|
| 11 | Hittebestendigheid van soldeer |
Dompelsolderen: 260 ± 5 ℃ 5 ± 1S Handmatig solderen: 300 ± 5 ℃ 2 ~ 3S |
|
| 12 | Veiligheidsgoedkeuringen | UL, CSA, VDE, ENEC, TUV, CE, KC, CQC | |
| 13 | Testomstandigheden |
Omgevingstemperatuur: 20 ± 5 ℃ Relatieve vochtigheid: 65 ± 5% RV Luchtdruk: 86~106KPa |
|
Functie en toepassing van microschakelaars
Details microschakelaar
